发布日期:02/04/2026
对于FR-4&铝等一类材质PCB印制电路板的生产而言,除了需考虑防静电的功能外,其对驱动器的功率、转速、扭矩等配置上往往有着更高的要求。在这一趋势下,SycoTec在4033、4041系列基础上推出了多款高性能PCB加工用电主轴,以此来响应行业日渐高涨的多元化产品需求。
像前两期针对4033系列分享的几款性价比产品,其已陆续成为国内PCB分板机厂商常用的高效&可靠驱动解决方案之一。基于此,本篇将围绕另一款4041主轴的性能表现及功能配置展开叙述,重点介绍其在PCB加工中的差异化优势。

4041 AC(大扭矩)
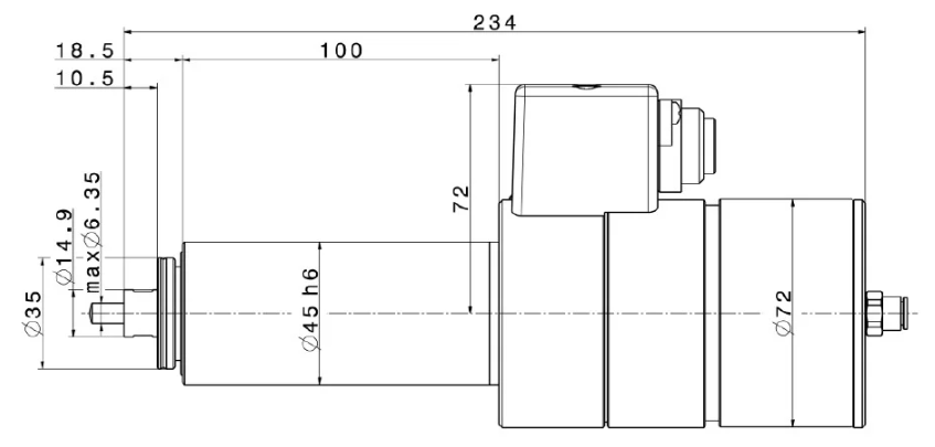
SycoTec为PCB行业设计的性能款电主轴,非常适合用于上述各种常见的印制电路板材料的加工,推荐搭配e@syDrive 4625变频器组合使用。性能表现上:转速max.50000rpm、功率max.500w、扭矩max.27Ncm、锥面挑动≤1um/1.5um。功能配置方面:1.外夹具冷却与PTC-100°电机保护解决了主轴因长时间作业产生的发热等故障问题。2.IP54+密封气0.5~0.8bar防护系统支持无尘化的加工场景。3.静电保护+磨损监测使得加工过程变得更加安全且可靠。
4041 AC尺寸图:

4041 AC性能图:

差异化优势:ESD静电释放技术使加工PCB范围变得更广、高转速&功率&扭矩的同时加工精度依旧表现不凡、紧凑的设计易于集成到各类生产线中。铣削视频展示&应用报告:SycoTec主轴铣削应用、应用领域:PCB加工 - SycoTec GmbH & Co. KG。
